
32232-XL
kaal: 23,38 kg
Koonusrull-laager
WhatsApp:+8618753115023
E-meil:info@bearingmotion.com
Toodete kirjeldus
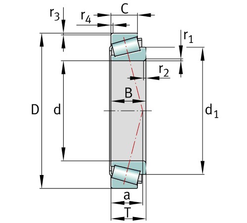
| d |
160 mm
|
| D |
290 mm
|
| B |
80 mm
|
| C |
67 mm
|
| T |
84 mm
|
| Kr |
1,030,000 N
|
| C0r |
1,380,000 N
|
| Cur |
188,000 N
|
| nG |
2,800 1/min
|
| nϑr |
1,430 1/min
|
| ≈m |
23,38 kg
|

Tootega seotud
The32232-XL koonusrull-laageron suure jõudlusega-üherealine-mõõdiku komponent, mis on loodud raskete{2}}tööstuskeskkondade jaoks. OsanaX-eluseeria, sellel laagril on optimeeritud võidusõidutee pinnad ja esmaklassiline{0}}teras, mis võimaldab standardvariantidega võrreldes oluliselt kõrgemat dünaamilist koormust (C_r 1030 kN). Selle sisegeomeetria on spetsiaalselt loodud kombineeritud radiaal- ja aksiaalkoormuse juhtimiseks minimaalse hõõrdumisega, mistõttu on see ideaalne valik suure-koormusega rakenduste jaoks, nagu suured käigukastid, kaevandusseadmed ja ehitusmasinad. Eraldatav disain, mis koosneb sisemisest rõngassõlmest (koonus) ja välimisest rõngast (tass), tagab, et paigaldamine ja hooldus on nii lihtne kui ka tõhus.
Ehitatud selleksDIN ISO 355Standardite kohaselt pakub 32232-XL märkimisväärset 160 mm ava ja 290 mm välisläbimõõtu, mis tagab suuremahuliste võllide jaoks vajaliku konstruktsiooni jäikuse. Selle tähis "XL" peegeldab hüpet kasutuseas ja termilises stabiilsuses; see suudab toime tulla kiiruse piiramisega kuni2800 pööret minutisnõuetekohase määrimise korral, säilitades samal ajal madalama töötemperatuuri kui traditsioonilised laagrid. See täiustatud termiline käitumine tähendab otseselt määrde vananemise vähenemist ja hooldusvälbade pikenemist. Olenemata sellest, kas 32232-XL-i kasutatakse selg-selja-või näost-näkku-näkku, pakub see täpsust ja vastupidavust, mis on vajalik seisakuaja vähendamiseks nõudlikes tööstuslikes jõuülekandesüsteemides.

transport


Kuum tags: 32232-xl, 32232-xl tarnijad
Ju gjithashtu mund të pëlqeni
Küsi pakkumist










